

富皓機械生產各種激振器如:雙聯激振器、重型激振器、稀油激振器、WJ激振器、JZQ 激振器、DF501S激振器、DF601S激振器、DF604S激振器、座式激振器、法蘭式激振器、礦用篩激振器、振動篩激振器、箱式激振器、單聯激振器。
激振器是產生振動,并能把振動傳給結構體和裝置的機械。
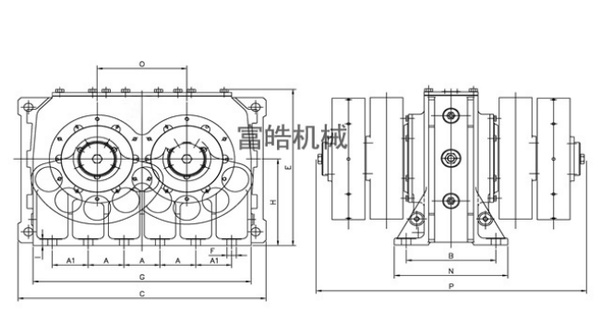
箱式激振器:
箱式激振器主要由箱體、齒輪、主動軸、偏心塊等組成。當電動機通過傳動軸拖動箱式激振器,主動軸經齒輪驅動沖動軸,使兩軸等速反向旋轉,帶動偏心塊產生激振力,通過箱體傳遞給振動機械。箱式激振器的激振力為直線激振力,故也稱為直線激振器。
旋轉不平衡質量:其質心處于特定的半徑位置,與其向心加速的乘積等于慣性離心力。也稱為偏心塊或激振器JB/T11166-2011
額定激振力:在箱式激振器振次為額定時,并且其旋轉不平衡質量處于規定位置的條件下所產生的激振力。
靜態力矩:靜態力矩的兩倍即為工作力矩。
技術參數:

|
4Z1
|
FZ1
|
FZ4
|
FZ4L
|
SZ1
|
SZ1V
|
SZ4
|
SZ4L
|
|
|
A
|
4x120
|
5x120
|
5x120
|
5x120
|
4x120
|
4x120
|
4x120
|
4x120
|
|
A1
|
-
|
-
|
-
|
-
|
150
|
150
|
150
|
150
|
|
G
|
600
|
730
|
730
|
730
|
910
|
910
|
910
|
910
|
|
C
|
780
|
830
|
830
|
830
|
1040
|
1040
|
1040
|
1040
|
|
E
|
568
|
580
|
580
|
580
|
659
|
675
|
675
|
675
|
|
F
|
Φ25
|
Φ31
|
Φ31
|
Φ31
|
Φ31
|
Φ31
|
Φ31
|
Φ31
|
|
I
|
34
|
23
|
23
|
23
|
25
|
25
|
25
|
25
|
|
H
|
310
|
315
|
315
|
315
|
370
|
370
|
370
|
370
|
|
O
|
275
|
300
|
300
|
300
|
376
|
376
|
376
|
376
|
|
N
|
340
|
380
|
380
|
380
|
470
|
470
|
470
|
470
|
|
B
|
260
|
300
|
300
|
300
|
390
|
390
|
390
|
390
|
|
P
|
650
|
900
|
995
|
995
|
1068
|
1068
|
1214
|
1214
|
|
max.轉速 rpm
|
1000
|
1000
|
1000
|
900
|
1000
|
750
|
1000
|
750
|
|
輸出力 KN
|
178
|
306
|
388
|
388
|
492
|
465
|
575
|
575
|
|
功率 KW
|
7.5
|
15
|
18.5
|
18.5
|
22.5
|
30
|
30
|
37.5
|
|
重量 KG
|
489
|
882
|
916
|
970
|
1260
|
1495
|
1550
|
1672
|
|
配重塊材質
|
鐵
|
鐵
|
鐵
|
鉛 L
|
鐵
|
鐵
|
鐵
|
鉛 L
|
|
把固螺栓 8.8
|
M24
|
M30
|
M30
|
M30
|
M30
|
M30
|
M30
|
M30
|
|
靜矩 kg.cm
|
舉例,扇形擺塊配置為O●●●O,O代表此處不安裝配重塊,●代表此處安裝配重塊
|
|||||||
|
OOOOO
|
840
|
1408
|
1792
|
1792
|
2296
|
3592
|
3916
|
3916
|
|
●OOO●
|
1060
|
1736
|
2209
|
2393
|
2916
|
4528
|
4936
|
5346
|
|
OO●OO
|
1052
|
1800
|
2291
|
2510
|
2872
|
4740
|
5167
|
5669
|
|
O●O●O
|
1204
|
2068
|
2632
|
3001
|
3304
|
5516
|
6013
|
6855
|
|
●O●O●
|
1264
|
2128
|
2708
|
3111
|
3492
|
5676
|
6188
|
7099
|
|
O●●●O
|
1412
|
2460
|
3131
|
3719
|
3880
|
6664
|
7265
|
8608
|
|
●●O●●
|
1420
|
2396
|
3049
|
3602
|
3560
|
6452
|
7034
|
8285
|
|
●●●●●
|
1620
|
2805
|
3556
|
4340
|
4510
|
7598
|
8290
|
10050
|


